Okenné tesnenie SP-103, čierne
Okenné tesnenie SP-103, čierne
Tesnenie Deventer SP103a je z určené prevažne pre drevené (EURO) okná a balkónové dvere.
Farba:
čierna
Hmotnosť:
3,80 kg/m
Nevyhovuje Vám daný produkt?
Nezodpovedá Vaším potrebám?
Kontaktujte nás. Nájdeme pre Vás vhodné riešenie.
Okenné tesnenie SP103a je vyrobené z TPS - termoplastického penového elastoméru (štruktúra peny s uzavretými bunkami), ktorý zabezpečuje dobrý kontakt s povrchmi natretými akrylovými, vodou riediteľnými, alkydovými, polyuretánovými a epoxidovými farbami a lakmi. Tesnenie má vynikajúce fyzikálne vlastnosti v rozsahu teplôt od - 40 do + 180 °C; chráni pred stratou tepla a prienikom zvuku, vyznačuje sa dobrou tvarovou pamäťou pri statickom zaťažení, odolnosťou proti starnutiu, poveternostným vplyvom, ozónu a UV žiareniu. Aplikácia na drevené okná.
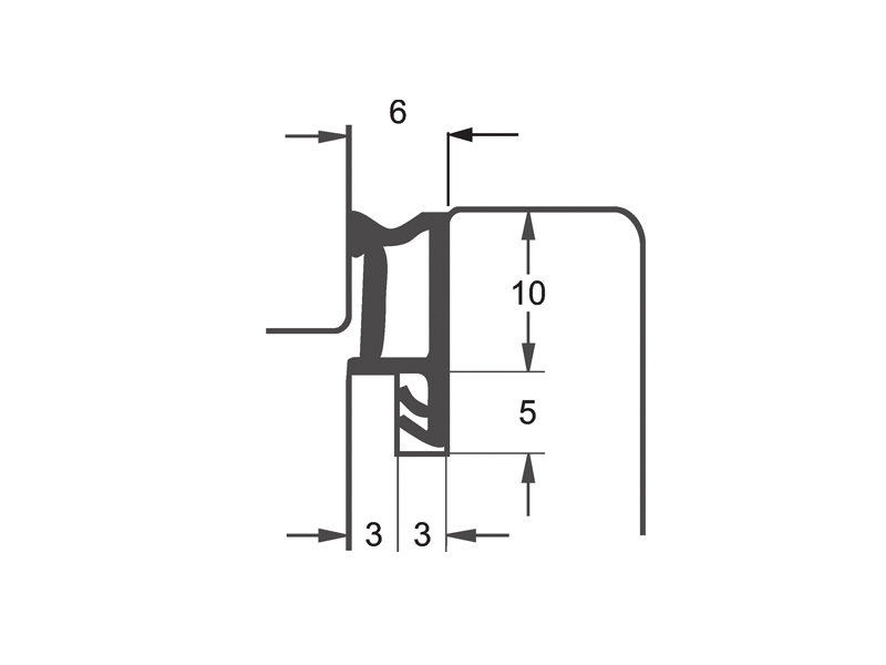
Tesniaci profil SP103 - vlastnosti produktu:
- Šírka drážky: 3,0mm
- Min. hĺbka drážky: 5,0mm
- Naliehavka: 10,0mm
- Medzera: 6,0mm
Nenašli ste čo ste hľadali?
Potrebujete poradiť? Pozrite si náš kompletný sortiment produktov,
alebo kontaktujte naších obchodníkov.









